0800-288289
週一至週五 09:00-17:00
[email protected]
Beauty Energy Health & 堅持最佳品質 粒粒都是寶
0
首頁
關於我們
關於我們
隱私權政策
最新消息
最新消息
線上商城
麗力寶系列
麗力寶嚴選
套組專區
即期良品-惜福專區
檢驗報告
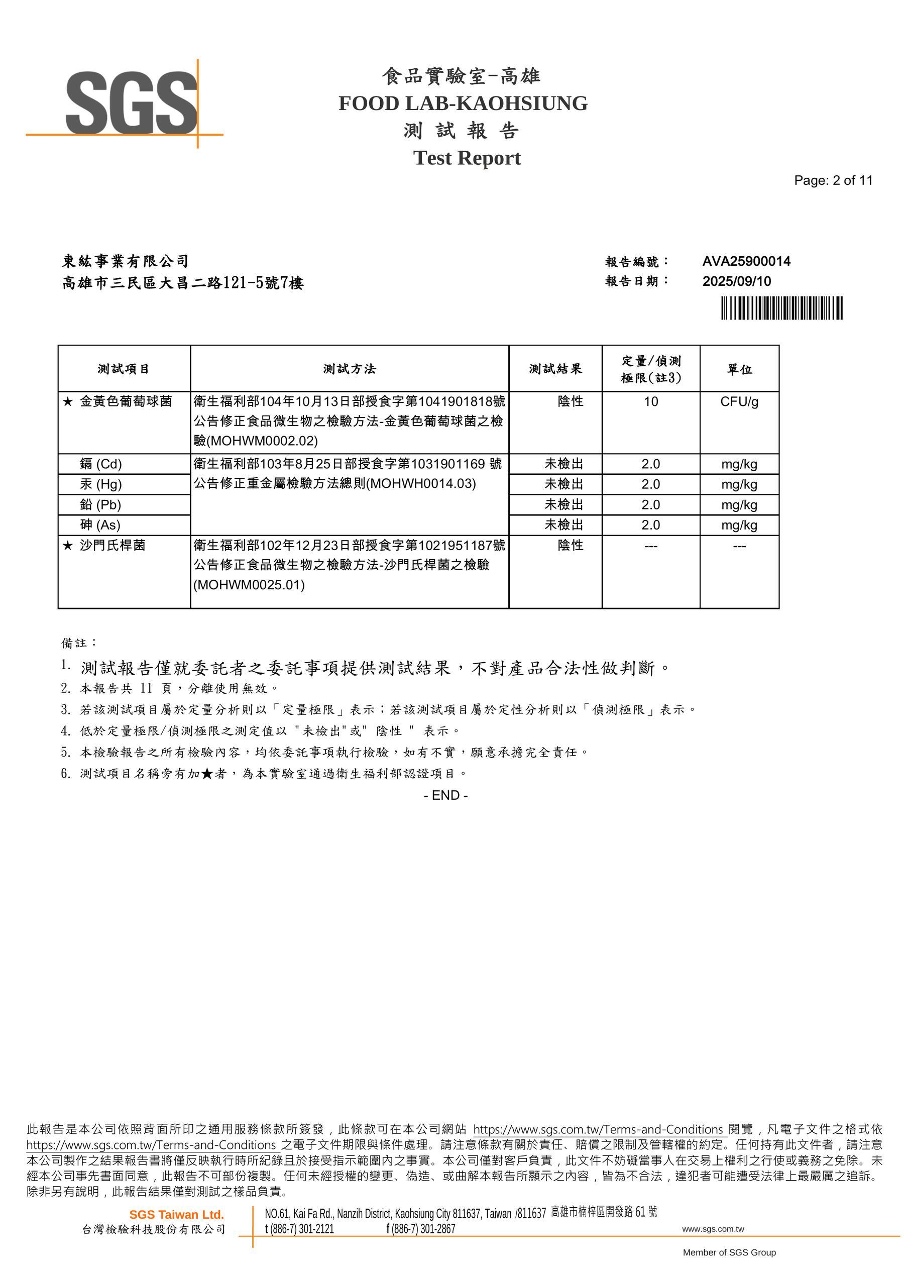
6.0苦瓜胜肽
牛樟芝菌絲體
步力捷蛋殼膜
葉黃素
鈣鎂粒
納豆紅麴
啤酒酵母B群
燕麥奶
好C粒
產品責任險
常見問題
Inspection
首頁
檢驗報告
燕麥奶
20270828
報告分類
所有報告
6.0苦瓜胜肽
牛樟芝菌絲體
步力捷蛋殼膜
葉黃素
鈣鎂粒
納豆紅麴
啤酒酵母B群
燕麥奶
好C粒
產品責任險
20270828
燕麥奶
20270828
您還沒登入哦!
不登入直接購買
使用 Line 繼續
使用官網帳號登入
帳號密碼不正確,請再檢查一下
登入
登入
會員登入
使用 Line 繼續
使用官網帳號登入
帳號密碼不正確,請再檢查一下
登入
登入
會員註冊
使用 Line 繼續
註冊新帳號
帳號密碼不正確,請再檢查一下
帳號*
密碼*
性別*
男
女
出生年月日*
驗證碼*
確認註冊後,表示您已詳閱我們的
會員條款
確認送出
確認送出
重設密碼
我們會發送信件至Email,
點擊信件中的連結以重設密碼
帳號不正確,請再檢查一下
送出驗證信
送出驗證信